True
HFL63-RN-3 – Giá giữ thanh dẫn hướng
HFL63-RN-3 là giá giữ được thiết kế để cố định thanh dẫn hướng vào khung máy một cách chắc chắn. Thiết kế bền vững giúp đảm bảo thanh dẫn hướng được giữ đúng vị trí, duy trì độ chính xác và ổn định của hệ thống trong các ứng dụng cơ khí và tự động hóa.
HFL63-RN-3 – Giá giữ thanh dẫn hướng
FLRK 12DE – Kẹp thanh dẫn hướng
FLRK 12DE là kẹp được thiết kế để cố định và giữ ổn định thanh dẫn hướng trong các hệ thống cơ khí và tự động hóa. Thiết kế nhỏ gọn nhưng chắc chắn giúp đảm bảo thanh dẫn hướng được giữ đúng vị trí và hoạt động ổn định trong quá trình vận hành.
FLRK 12DE – Kẹp thanh dẫn hướng
HFL63-RN-2 – Giá đỡ tay kẹp thanh dẫn hướng
HFL63-RN-2 là giá đỡ được thiết kế để hỗ trợ và cố định tay kẹp của hệ thống thanh dẫn hướng. Kết cấu chắc chắn giúp phân bố lực ổn định, đảm bảo sự căn chỉnh chính xác và duy trì độ ổn định của hệ thống trong các ứng dụng cơ khí và tự động hóa.
HFL63-RN-2 – Giá đỡ tay kẹp thanh dẫn hướng
F5048965 – Thanh tròn Ø12 (dài 3 m)
F5048965 là thanh tròn đường kính Ø12, chiều dài 3 m, được sử dụng trong các cụm cơ khí và hệ thống hỗ trợ thanh dẫn hướng. Sản phẩm có kết cấu bền chắc, giúp đảm bảo độ ổn định và độ chính xác trong các ứng dụng cơ khí và tự động hóa.
F5048965 – Thanh tròn Ø12 (dài 3 m)
HFL63-RN-1 – Tay kẹp thanh dẫn hướng
HFL63-RN-1 là tay kẹp được thiết kế để siết chặt và cố định thanh dẫn hướng bằng thao tác thủ công. Kết cấu chắc chắn giúp đảm bảo lực kẹp ổn định, cho phép điều chỉnh nhanh và cố định an toàn trong quá trình vận hành hệ thống.
HFL63-RN-1 – Tay kẹp thanh dẫn hướng
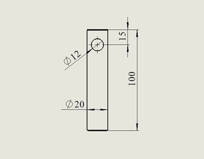
FLRK 12 x 100 D69 – Kẹp thanh dẫn hướng đôi

FLRK 12 x 100 D69 là kẹp thanh dẫn hướng đôi được thiết kế để cố định và giữ ổn định hai thanh dẫn hướng trong các hệ thống cơ khí và tự động hóa. Kết cấu chắc chắn giúp đảm bảo độ chính xác trong căn chỉnh và duy trì sự ổn định khi thiết bị vận hành.

FLRK 12 x 100 D69 – Kẹp thanh dẫn hướng đôi

To install this Web App in your iPhone/iPad press and then Add to Home Screen.

Loading..