True
HFL63-HWB-45R150 – Ray cong 45° (bán kính 150 mm)
HFL63-HWB-45R150 là đoạn ray cong 45° với bán kính 150 mm, được thiết kế để tạo chuyển hướng nhẹ và mượt trong các hệ thống dẫn hướng bằng ray. Thiết kế chính xác giúp các bộ phận di chuyển chuyển hướng ổn định, đảm bảo độ căn chỉnh và hiệu suất vận hành trong các ứng dụng cơ khí và tự động hóa.
HFL63-HWB-45R150 – Ray cong 45° (bán kính 150 mm)
HFL63-HWB-120R150 – Ray cong 120° (bán kính 150 mm)
HFL63-HWB-120R150 là đoạn ray cong 120° với bán kính 150 mm, được sử dụng để chuyển hướng trong các hệ thống dẫn hướng bằng ray. Thiết kế giúp các cơ cấu di chuyển thay đổi hướng mượt mà, đồng thời đảm bảo độ ổn định và độ chính xác khi vận hành trong các hệ thống cơ khí và tự động hóa.
HFL63-HWB-120R150 – Ray cong 120° (bán kính 150 mm)
HFL63-HWB-180R150 – Ray cong 180° (bán kính 150 mm)
HFL63-HWB-180R150 là đoạn ray cong 180° với bán kính 150 mm, được thiết kế để giúp hệ thống chuyển hướng mượt mà trong các hệ thống dẫn hướng bằng ray. Thiết kế chính xác giúp đảm bảo chuyển động ổn định, căn chỉnh đúng vị trí và duy trì hiệu suất vận hành trong các ứng dụng cơ khí và tự động hóa.
HFL63-HWB-180R150 – Ray cong 180° (bán kính 150 mm)
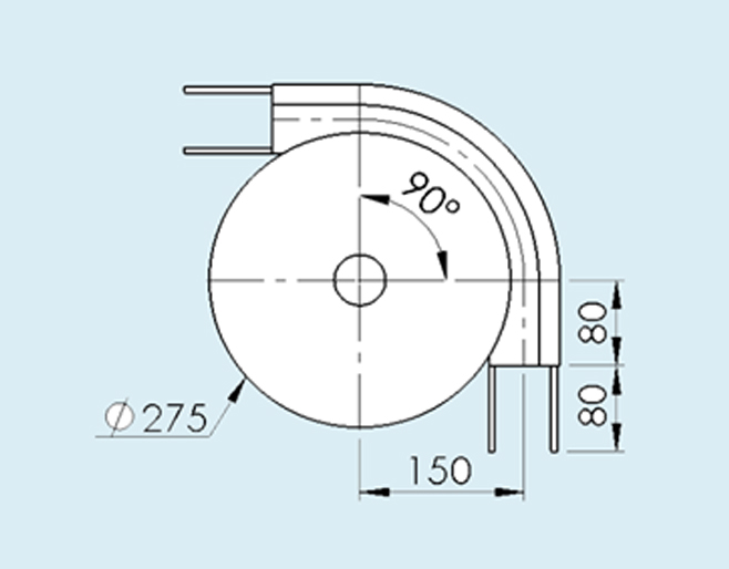
HFL63-HWB-90R150 – Ray cong 90° (bán kính 150 mm)
HFL63-HWB-90R150 là đoạn ray cong 90° với bán kính 150 mm, được thiết kế để giúp hệ thống dẫn hướng bằng ray chuyển hướng mượt mà. Thiết kế chính xác giúp đảm bảo chuyển động ổn định, căn chỉnh chính xác và hiệu suất vận hành cao trong các hệ thống cơ khí và tự động hóa.
HFL63-HWB-90R150 – Ray cong 90° (bán kính 150 mm)
HFL63-HWB-30R150 – Ray cong 30° (bán kính 150 mm)
HFL63-HWB-30R150 là đoạn ray cong 30° với bán kính 150 mm, dùng để chuyển hướng trong các hệ thống dẫn hướng bằng ray. Thiết kế giúp các cơ cấu chuyển động thay đổi hướng một cách mượt mà, đảm bảo độ ổn định và độ chính xác trong các ứng dụng cơ khí và tự động hóa.
HFL63-HWB-30R150 – Ray cong 30° (bán kính 150 mm)
HFL63-HWB-60R150 – Ray cong 60° (bán kính 150 mm)
HFL63-HWB-60R150 là đoạn ray cong 60° với bán kính 150 mm, được thiết kế để tạo chuyển hướng mượt mà trong các hệ thống dẫn hướng bằng ray. Thiết kế chính xác giúp các bộ phận di chuyển thay đổi hướng ổn định, đảm bảo căn chỉnh chính xác và duy trì hiệu suất vận hành trong các ứng dụng cơ khí và tự động hóa.
HFL63-HWB-60R150 – Ray cong 60° (bán kính 150 mm)

To install this Web App in your iPhone/iPad press and then Add to Home Screen.

Loading..